ПромКомплектИнжиниринг: Измерительные приборы и средства измерений, поставка КИП и А Home Mail Sitemap
  ПромКомплектИнжиниринг - КИПиА
 
ООО "ИТЦ "ПромКомплектИнжиниринг"
Поставка измерительной техники, средств измерения, приборов контроля и регулирования технологических процессов, КИП и А
(4812) 31-01-46
(4812) 31-01-49

Mailmarket@pki-pribor.ru
    Главная О компании Контакты Продукция Обратная связь Карта сайта Портфель заказов
 
  • 1-100м.
  • 2 класс точности
  • По ГОСТ 7502-98
  • №ГРСИ 55464-13
  • Образцовые 1 разряда
  • Образцовые 2 разряда
  • Технические 1 и 2 классов
ГМЦМ-1 Микровертушки гидрометрические
Микровертушки гидрометрические
ГМЦМ-1
КММСЭ, КММФЭ Кабель
Кабель
КММСЭ, КММФЭ
 
Главная Каталог Приборы измерения уровня - уровнемеры Контактные уровнемеры -метроштоки, поплавковые, электроконтактные, рулетки ДРУ-1ПМ

Датчики-реле уровня жидкости двухпозиционные ДРУ-1ПМ

Цена: по запросу

Заинтересованы ДРУ-1ПМ?

Нажмите кнопку "Отправить заявку " и оформите заявку на данный товар. При оформлении заявки Вы можете уточнить цену либо задать вопросы по нашей продукции.

Отправить заявку

ДРУ-1ПМ Датчики-реле уровня жидкости двухпозиционные

Описание ДРУ-1ПМ:

ОБЩИЕ СВЕДЕНИЯ

Сенсор-реле уровня жидкости двухпозиционный ДРУ-1ПМ необходим для контроля уровня воды, дизельного топлива, авиационного масла, а также других жидкостей с динамической вязкостью не превышает 2,4 Па·с, плотностью от 0,8 до 1,2 г/см 2 , неагрессивных по отношению к стали 12Х18Н10Т и резине в различных установках.

По пожарной безопасности датчик-реле уровня не обладает способностью к самовоспламенению и вызывать горение.

Сенсор-реле уровня соотвветствует климатическому исполнению У и категории размещения 5 по ГОСТ 15150.

ТЕХНИЧЕСКИЕ ДАННЫЕ

Нестабильность срабатывания мм, не превышает ±8
За нестабильность срабатывания принимается максимальная разность уровней, соответствующих трехкратному переключению электрических контактов при повышении или понижении уровня.
Дифференциал мм, не превышает 25
Коммутационная сполосность электрических контактов датчика-реле:
  1. от 0,5 до 4А постоянного тока с активной нагрузкой при напряжении от 3 до 30 В;
  2. от 0,5 до 2А постоянного тока с индуктивной нагрузкой (t<0,015 с) при напряжении от 3 до 30 В;
  3. до 3А переменного тока с активной нагрузкой при напряжении до 250 В; 50 Гц
  4. до 2А переменного тока с индуктивной нагрузкой (cos γ > 0,5) при напряжении 250 В, 50 Гц.
Максимальная коммутируемая мощность:
при постоянном токе - 70 ВА
при переменном токе - 300 ВА

Сопротивление изоляции электрических цепей при нормальных климатических условиях не менее 20 МОм.

Основные параметры контролируемых жидкостей указаны в таблице 1.

Сенсор-реле сохраняет работоспособность при воздействии климатических факторов внешней среды:
температура окружающего воздуха от -60 до +70 °C;
относительная влажность воздуха 98% при температуре 40 °C (без конденсации влаги).

По устойчивости к механическим воздействиям датчик-реле соответствует группе исполнения №4 по ГОСТ 12997.

Степень защиты датчика-реле по пыли и воде соответствует IP54 по ГОСТ 14254.

Средний срок службы, лет, не менее 12
Масса датчика-реле кг, не превышает 1,4
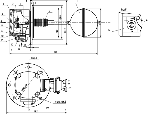
Габаритные размеры - см. рис. 1.

Таблица 1


Рис. 1. Конструкция, габаритные и установочные размеры ДРУ-1ПМ


Рис. 3. Схема электрических соединений


УСТРОЙСТВО И ПРИНЦИП РАБОТЫ

Конструкция датчика-реле приведена на рис. 1.

В корпусе на кронштейне 3 крепится мокропереключатель 2. Поплавок 1 выполняет роль чувствительного элемента. Винтом 6, ввернутым в рычаг осуществляется настройка датчика-реле на уровень срабатывания.

Сильфон 7 соединяется с фланцем 11 и рычагом 4.

Корпус закрывается крышками 9 и 10, уплотнение осуществляется прокладками 12 и 13.

Стопорный болт 5 служит для фиксации положения поплава 4 при транспортирования датчика-реле.

Заземление датчика-реле осуществляется винтом 8.

Принцип работы датчика-реле основан на изменении положения поплавка 1 под воздействием выталкивающей силы контролируемой жидкости.

Поплавок 1 при своем перемещении рычагом 4 воздействует на микропереключатель 2, включенный в электрические цепи сигнальных и пусковых устройств.

 

Дополнительную информацию на ДРУ-1ПМ Вы можете получить связавшись с нами или отправив заявку на данный товар. При оформлении заявки Вы можете задать вопросы по продукции, запросить цену и т.д.

См. также:
САПФИР-22ДУ, САПФИР-22МП-ДУ (Вн, Ех) САПФИР-22ДУ, САПФИР-22МП-ДУ (Вн, Ех)
Микропроцессорный преобразователь уровня буйковый
УРБ-М, УРБ-ПМ УРБ-М, УРБ-ПМ
Уровнемеры-регуляторы буйковые пневматические
ПИУП ПИУП
Преобразователь уровня буйковый пневматический
РИС-101М1, РИС 101МИ1 РИС-101М1, РИС 101МИ1
Датчики-индикаторы уровня
РОС-501, РОС-501И РОС-501, РОС-501И
Датчики-реле уровня
РОС-101, РОС-101И, РОС-102, РОС-102И РОС-101, РОС-101И, РОС-102, РОС-102И
Датчики-реле уровня
ЭРСУ-3Р ЭРСУ-3Р
Электронный регулятор-сигнализатор уровня
ЭРСУ-5Р ЭРСУ-5Р
Электронный регулятор-сигнализатор уровня
РОС-301 РОС-301
Датчик-реле уровня
СУС-РМ, СУС-РМ-И СУС-РМ, СУС-РМ-И
Сигнализатор уровня
СУС-100 СУС-100
Датчик-реле уровня
СУГ-М, СУГ-МИ СУГ-М, СУГ-МИ
Сигнализатор уровня поплавковый многоточечный

Лидеры продаж
C.A 6541
Мегаомметр
PeakTech 2680
Мегаомметр
MIC-5000
Измеритель сопротивления изоляции
МК-225 0.01 КЛБ
Микрометр
МКЦ-100 0.001 КЛБ
Микрометр цифровой
1000мм 0.05 КЛБ
Штангенрейсмас
ШЦ-1-300 0.05 КЛБ
Штангенциркуль
ШЦЦ-1-300 0.01 КЛБ
Штангенциркуль электронный (цифровой)
ШЦ-3- 500 0.05 губ.100мм КЛБ
Штангенциркуль
ViBRA CT-600CE
Аналитические весы
Новое в каталоге
МАК–10ПК-21-2,5
ПК-21-1,0ПК-21-0,15
УПСК-10СВ-10
ВУН-20ФС-10К
АИП-21АТВТ-20
АТВ-21АТВО-21
АТВО-20АРНС-20
АРНС-21Кристалл-20
Кристалл-20ЭУППС-10
ТМС–1МСК–20
АКС–20ПН–10ПЦ
ПН–10CКАПЛЯ-20У
КАПЛЯ-20ИКАПЛЯ-20Р
АТВО-20ТС–20М
ТКС-20УПП–10
    Назад ВверхГлавная Каталог Приборы измерения уровня - уровнемеры Контактные уровнемеры -метроштоки, поплавковые, электроконтактные, рулетки ДРУ-1ПМ  
  Яндекс цитирования

214031, Смоленская область, г. Смоленск, ул. Бабушкина, д. 1, строение 2, оф. 17;
тел.: (4812) 31-01-46 (4812) 31-01-49

Webmaster
Metelitsa Andrey
anmmat@yandex.ru